产品中心
NU1072M HJ1072
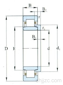
圆柱滚子轴承
52172
NU1040M HJ1040
52140
51314
推力球轴承
53314
51313
53313
53312
51312
53311
51311
53310
51310
51304
51292
Shanghai jianjun bearing Co.,ltd.
电话:021-39532067
E-mail:2541841725@qq.com
地址:上海市普陀区真南路1370号810-814
13601655557
021-39532067