产品中心
QJ307
向心推力球轴承
QJ306
QJ224
QJ221
QJ222
QJ220
NF416
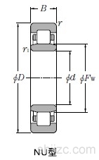
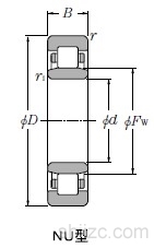
圆柱滚子轴承
N416
NUP416
NJ416
NU416
NF415
N415
N414
NUP415
NUP414
Shanghai jianjun bearing Co.,ltd.
电话:021-39532067
E-mail:2541841725@qq.com
地址:上海市普陀区真南路1370号810-814
13601655557
021-39532067