产品中心
NF336
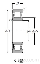
圆柱滚子轴承
N336
NUP336
NJ336
NJ334
NU336
NU334
NF334
N334
NUP334
NF332
N332
NUP332
NUP332E
NJ332
NJ332E
Shanghai jianjun bearing Co.,ltd.
电话:021-39532067
E-mail:2541841725@qq.com
地址:上海市普陀区真南路1370号810-814
13601655557
021-39532067