详细信息
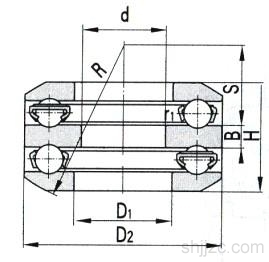
上海建钧轴承有限公司专业销售54320M U320,54320M U320相关信息有: 型号54320M U320 内径:85 外径:170 厚度:105.4 品牌:ZWZ 系列:推力球轴承 ,想要更多的了解54320M U320的相关信息,可以进行在线咨询或者拨打热线电话 ,我们会详细为您服务。54320M U320使用范围很广,54320M U320主要应用于工程机械、机床、汽 车、冶金、矿山、石油、机械、电力、铁路等行业,本公司销售的54320M U320价 格合理,保证质量,全方面的服务,尽一切满足客户的需求。

23952 CC W33
F-801806.PRL
NN3024KTN9SPW33

扫一扫,手机访问
沪公网安备 31010702001416号