咨询服务热线:13601655557
型号查询
型号   类型
全部类型
全部 调心球轴承 深沟球轴承 圆锥滚子轴承 圆柱滚子轴承 滚针轴承 调心滚子轴承 角接触球轴承 推力球轴承 推力角接触球轴承 推力圆柱滚子轴承 开放式径向滚珠轴承 球面滚子推力轴承 推力轴承 双面防尘盖径向滚珠轴承(英制尺寸) 滚子轴承 链传动 惰轮轮齿单元 滚动轴承用垫圈 关节轴承 球轴承 法兰式双面防尘盖径向滚珠轴承 垫圈 丝杠轴承系列 斜角滚珠轴承 电主轴 双向推力角接触球轴承 滚针轴承 锁紧螺母 滚珠丝杠Ⅱ 辊颈用轴承 法兰式双面防尘盖径向滚珠轴承(英制尺寸) 轴承用附件 转盘轴承 自动调心球轴承 自动调心滚子轴承 承受联合载荷的高精密轴承 丝杠支撑轴承 薄型开放式径向滚珠轴承 螺母 退卸套 主轴轴承 直线运动球轴承 带座外球面轴承 滚轮 机加工滚针轴承 绝缘轴承 鼓形滚子轴承 薄型法兰式双面防尘盖径向滚珠轴承 开放式径向滚珠轴承(英制尺寸) 圆柱滚子推力轴承 小型球轴承及微型球轴承 交叉滚子轴承 传感器轴承单元 滚针和保持架组件 推力滚珠轴承 径向圆柱滚子轴承 极薄型的径向滚珠轴承 陶瓷轴承 滚动轴承用螺母 调心滚子轴承用附件 自润滑关节轴承 SNL轴承座 滚动轴承用紧定套 球面滚子轴承 滑轮用圆柱滚子轴承 立式带座调心轴承 推力圆柱滚子轴承-推力圆柱滚子和保持架组件 -推力轴承垫圈 角接触球轴承系列 密封圈 超小滚珠轴承 止动环及止动槽 双列圆柱滚子系列 单列深沟滚珠轴承 滚动轴承用拆卸套 外球面轴承,轴承座单元 推力滚针和保持架组件-推力轴承垫圈-推力滚针轴承 推力圆锥滚子轴承 滚动轴承用止动挡块 轴承座 特殊应用轴承 JIS称呼代号径向滚珠轴承 冲压外圈滚针离合器 挡块 带座外球面球轴承 附件 带止动环的径向滚珠轴承 双面防尘盖径向滚珠轴承 四点接触球轴承 推力调心滚子轴承 冲压外圈滚针轴承 CARB 圆环滚子轴承 紧固件和止动件 薄型双面防尘盖径向滚珠轴承 滚针及万向节轴承 止推轴承 角接触轴承 紧定套 向心推力球轴承 滚动体 小型及微型球轴承
品牌 内径   外径   厚度  

型号查询 X

您的位置:首页 > 产品中心 > GX220C

GX220C

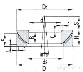
产品名称:GX220C 类型:自润滑关节轴承
品牌:ZWZ 新型号:GX220C
旧型号: 内径d:220
外径D:400 厚度(mm):88
重量:

咨询热线:13601655557

详细信息
上海建钧轴承有限公司专业销售GX220C,GX220C相关信息有: 型号GX220C 内径:220 外径:400 厚度:88 品牌:ZWZ 系列:自润滑关节轴承 ,想要更多的了解GX220C的相关信息,可以进行在线咨询或者拨打热线电话 ,我们会详细为您服务。
GX220C使用范围很广,GX220C主要应用于工程机械、机床、汽 车、冶金、矿山、石油、机械、电力、铁路等行业,本公司销售的GX220C价 格合理,保证质量,全方面的服务,尽一切满足客户的需求。

电话:021-39532067

E-mail:2541841725@qq.com

地址:上海市普陀区真南路1370号810-814

扫一扫,手机访问
在线客服
热线电话

13601655557

021-39532067


微信公众账号