详细信息
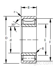
上海建钧轴承有限公司专业销售A-5220-WS,A-5220-WS相关信息有: 型号A-5220-WS 内径:100 外径:180 厚度:60.325 品牌:TIMKEN 系列:径向圆柱滚子轴承 ,想要更多的了解A-5220-WS的相关信息,可以进行在线咨询或者拨打热线电话 ,我们会详细为您服务。A-5220-WS使用范围很广,A-5220-WS主要应用于工程机械、机床、汽 车、冶金、矿山、石油、机械、电力、铁路等行业,本公司销售的A-5220-WS价 格合理,保证质量,全方面的服务,尽一切满足客户的需求。

23952 CC W33
F-801806.PRL
NN3024KTN9SPW33

扫一扫,手机访问
沪公网安备 31010702001416号