产品中心
7306BEP
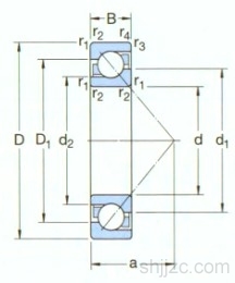
角接触球轴承
7306DF
7306BEY
7212BTN/DB
7306BECBY
466306
7212B
7212BTN
7306DB
7306BTN/DB
7212BM
7306B/DF
366306
7306A
7212BEP
7306AC/DB
Shanghai jianjun bearing Co.,ltd.
电话:021-39532067
E-mail:2541841725@qq.com
地址:上海市普陀区真南路1370号810-814
13601655557
021-39532067