产品中心
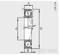
HSS71909-C-T-P4S
主轴轴承
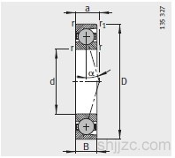
HSS71900-C-T-P4S
主轴轴承
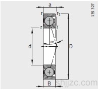
HSS71918-C-T-P4S
主轴轴承
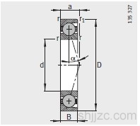
HCS71918-C-T-P4S
主轴轴承
HCS71909-C-T-P4S
主轴轴承
HCB71912-C-T-P4S
主轴轴承
HCB71906-C-T-P4S
主轴轴承
HCB71900-C-T-P4S
主轴轴承
HCB71919-C-T-P4S
主轴轴承
B71911-C-T-P4S
主轴轴承
B71906-C-T-P4S
主轴轴承
B71921-C-T-P4S
主轴轴承
B71900-C-T-P4S
主轴轴承
B71916-C-T-P4S
主轴轴承
B71944-C-T-P4S
主轴轴承
B71932-C-T-P4S
主轴轴承