产品中心
AMS130
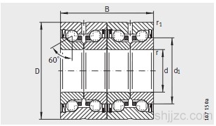
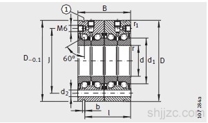
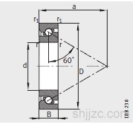
丝杠支撑轴承
DRS55145
ZKLN60110-2Z
ZARF90210-L-TV
ZM55
ZARN90180-L-TV
ZKLF3080-2RS-2AP
ZKLN1034-2RS
DRS1560
7602015-2RS-TVP
7602015-TVP
7602017-TVP
7602025-2RS-TVP
AM30/65
AM30
AM17
Shanghai jianjun bearing Co.,ltd.
电话:021-39532067
E-mail:2541841725@qq.com
地址:上海市普陀区真南路1370号810-814
13601655557
021-39532067