产品中心
XR496051
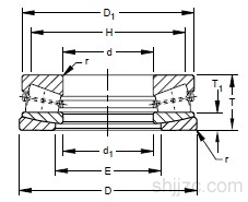
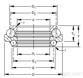
止推轴承
T63
T127W
T176W
T127
T176
T135
T9020
T63W
20TPS103
20TP103
200DTVL722
F-3167-B
B-7976-C
90TVL710
80TP134
Shanghai jianjun bearing Co.,ltd.
电话:021-39532067
E-mail:2541841725@qq.com
地址:上海市普陀区真南路1370号810-814
13601655557
021-39532067