产品中心
MB0
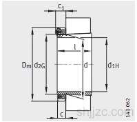
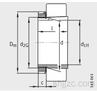
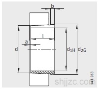
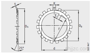
紧固件和止动件
M6×10
MS3044
KM0
HMZ18
H3968-HG
H3940
H3930
H39/1000-HG
H39/560-HG
AH208
AH3984G-H
AH3936
AH30/1,120A-H
AH3964G-H
Shanghai jianjun bearing Co.,ltd.
电话:021-39532067
E-mail:2541841725@qq.com
地址:上海市普陀区真南路1370号810-814
13601655557
021-39532067