产品中心
7322-B-JP
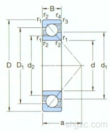
角接触球轴承
7321BEP
7321C/DT
7321B
7321C/DF
7321BECBP
7321AC
7321AC/DT
7321DB
7321BECBM
7321BTN/DT
7321AC/DF
7321A
7321DT
7321BTN/DF
7321AC/DB
Shanghai jianjun bearing Co.,ltd.
电话:021-39532067
E-mail:2541841725@qq.com
地址:上海市普陀区真南路1370号810-814
13601655557
021-39532067