产品中心
7310BEP
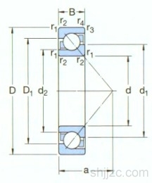
角接触球轴承
7310BTN/DB
7216ACM/DB
446216
7310BEY
7230B/DF
7230AC/DB
7216AC/DB
346216
7230DB
7216AC/DT
7230AC
7216-B-TVP
7230A
7230-B-MP
7230DT
Shanghai jianjun bearing Co.,ltd.
电话:021-39532067
E-mail:2541841725@qq.com
地址:上海市普陀区真南路1370号810-814
13601655557
021-39532067