产品中心
52430X
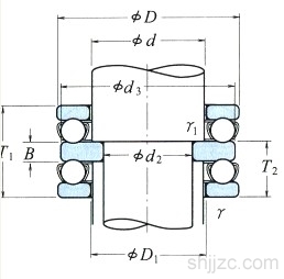
推力轴承
52434X
5242X
52432X
52436X
52426X
52424X
562964
562960M
52422X
562964M
54420XU
54420X
52420X
562940M
562940
Shanghai jianjun bearing Co.,ltd.
电话:021-39532067
E-mail:2541841725@qq.com
地址:上海市普陀区真南路1370号810-814
13601655557
021-39532067